

Pinch to zoom
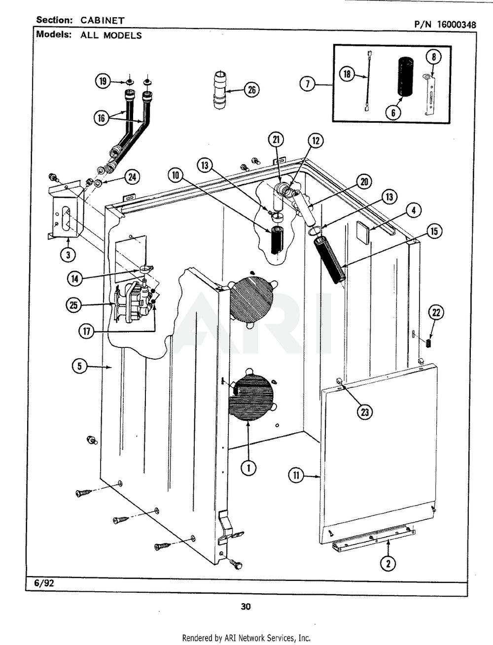
Diagram Ref: See part #20 on diagram
MayTag SIPHON BREAK(W/CLAMP) | Series A0 206638
$37.52
In Stock — Ready to Ship
Fast Shipping
Genuine OEM Parts
Secure Checkout
Expert Support
Description
MayTag SIPHON BREAK(W/CLAMP) | Series A0 206638
SIPHON BREAK(W/CLAMP) | Series A0
SIPHON BREAK(W/CLAMP) | Series A0
Related Parts

Maytag
MayTag GROMMET WP62691
$6.26

ROBOT COUPE 89625 DRIVING HUB
$20.14

Maytag
MayTag LINK WP3349311
$45.38

ROBOT COUPE 89552 RELEASE COLLAR
$9.85

SOLENOID VALVE T&P 1 WAY 180° 12V DC
$12.20

12 µF UNIVERSAL MOTOR CAPACITOR WITH CABLE
$23.75

Bosch
189324 Replacement for Bosch
$0.00

ROBOT COUPE 89532 SCREW KIT FOR CMP, MP
$11.00
